Sign In | Join Free | My wneducation.com
China Shenzhen Gigaopto Technology Co., Ltd. logo
Shenzhen Gigaopto Technology Co., Ltd.
Professional Designer and Manufacturer of Optical Transceivers
Verified Supplier

4 Years

Home > EPON SFP Module >

SC DDM SMF SFP Module EPON OLT PX20+ 1.25G TX1490nm RX1310nm 20km

Shenzhen Gigaopto Technology Co., Ltd.
Trust Seal
Verified Supplier
Credit Check
Supplier Assessment
Contact Now

SC DDM SMF SFP Module EPON OLT PX20+ 1.25G TX1490nm RX1310nm 20km

Brand Name : GIGAOPTO

Model Number : GTS-SET11-20DCB

Certification : CE, FCC, ROHS, ISO9001, ISO14000, MSDS, REACH, CP65, TUV, UL

Place of Origin : Shenzhen, China

MOQ : 1 pcs

Price : Negotiable

Payment Terms : T/T, Western Union

Supply Ability : 50,000pcs / month

Delivery Time : 1-5 working days

Packaging Details : Single Package, 10 or 20pcs per Tray, 30 or 50 or 100pcs per box, 400 or 600pcs per carton

Product Name : EPON OLT SFP

Form Type : SFP

Max Data Rate : 1.25Gbps

Wavelength : TX1490nm/RX1310nm

Reach : 20km

DDM/DOM : Supported

Power Consumption : <1.65W

ODN Class : PX20+

Keywords : SFP EPON OLT PX20+, GEPON SFP 1.25G, OLT PX20+ Module

Contact Now

SFP 1.25G EPON OLT PX20+ TX1490nm/RX1310nm 20km SC SMF DDM Optical Transceiver Modules

Description

The GIGAOPTO's GTS-SET11-20DCB is a high performance EPON OLT transceiver module designed for low cost Gigabit Ethernet Passive Optical Network applications at 1.25Gbps downstream and 1.25Gbps upstream. It is fully compliant with IEEE 802.3ah-2004.

The transmitter section uses a 1490nm DFB laser and an integrated laser driver which is designed to be Class 1 eye safety per IEC825 and CDRH standards. The laser driver includes APC and temperature compensation functions, which are used for keeping the launch optical power and extinction ratio constant over temperature and aging. The receiver has a hermetically packaged APD-TIA (trans-impedance amplifier) pre-amplifier and a limiting amplifier with LVPECL compatible differential outputs.The Receiver Loss of Signal (Rx_LOS), Transmit Disable (Tx_DIS), Transmit Fault (Tx_FAULT) and the monitor and control functions are LVTTL compatible.

The digital diagnostic monitoring function is fully compliant with SFP MSA.

Specification

Packaging EPON OLT SFP Data Transfer Rate TX-1.25G/RX-1.25G
Interface SC/UPC Transmission Distance 20km
Digital Diagnostic Monitoring YES Media SMF
Warranty 3 years Operating Temperature -5 to 70°C
Storage Ambient Temperature -40 to 85°C Operating Humidity 5% to 85%
Center Wavelength TX1490nm/RX1310nm Power Supply Voltage 3.3V
Power Consumption <1.65W Total Supply Current 500mA
Laser Type 1490nm DFB Photo-detector APD
Transmitter Power +2 to +7dBm Receiver Sensitivity <-30dBm
ER >9dB Receiver Saturation >-6dBm
Protocols SFP MSA, SFF-8472, IEEE 802.3ah-2004

Features

  • Single fiber bi-directional data links symmetric 1.25Gbps application
  • 1490nm continuous-mode DFB laser transmitter and 1310nm burst-mode APD-TIA receiver
  • Transmission distance up to 20km
  • Small Form Factor Pluggable package with SC/UPC connector
  • Single 3.3V power supply
  • Compatible IEEE 802.3ah 1000BASE-PX20+ GEPON application
  • Digital diagnostic monitoring interface
  • Burst Digital Receiving Signal Strength Indication (RSSI)
  • LVPECL compatible data input/output interface
  • LVTTL transmitter disable control
  • LVTTL transmitter laser fault alarm
  • All-metal housing for superior EMI performance
  • Low power consumption
  • Class I laser safety standard IEC-60825 compliant
  • Operating case temperature: Standard: -5°C~70°C
  • RoHS6 Compliant​

Application

  • Gigabit Ethernet Passive Optical Networks (GEPON)

  • FTTx

Standards

  • Complies with SFP Multi-Source Agreement (MSA) SFF-8074i
  • Complies with IEEE 802.3ah
  • Complies with FCC 47 CFR Part 15, Class B
  • Complies with FDA 21 CFR 1040.10 and 1040.11 except for deviations pursuant to Laser Notice No.50, dated June 24, 2007
  • Complies with SFF-8472
  • Compatible with TR-NWT-000870 4.1 ESD sensitivity classification Class2.
  • Compatible with Telcordia GR-468-CORE

Ordering Information

Part Number Package Data Rate (Gbps) Wavelength(nm) Class Interface Reach Temp.
GTS-SET11-20DCB EPON OLT SFP T1.25/R1.25 Tx1490/Rx1310 PX20+ SC 20km C
GTS-SET11-20DIB EPON OLT SFP T1.25/R1.25 Tx1490/Rx1310 PX20+ SC 20km I
GTS-SET11-20DCC EPON OLT SFP T1.25/R1.25 Tx1490/Rx1310 PX20++ PX30 SC 20km C
GTS-SET11-20DIC EPON OLT SFP T1.25/R1.25 Tx1490/Rx1310

PX20++

PX30

SC 20km I
GTS-SET11-20DCD EPON OLT SFP T1.25/R1.25 Tx1490/Rx1310

PX20+++

7dBm PX40

SC 20km C
GTS-SET11-20DID EPON OLT SFP T1.25/R1.25 Tx1490/Rx1310

PX20+++

7dBm PX40

SC 20km I
GTS-SET11-20DCE EPON OLT SFP T1.25/R1.25 Tx1490/Rx1310 PX20+++ 9dBm PX40 SC 20km C
GTS-SET11-20DIE EPON OLT SFP T1.25/R1.25 Tx1490/Rx1310 PX20+++ 9dBm PX40 SC 20km I

Compatibility

All of Gigaopto's optical modules are open-source and can be coded to be fully compatible with many highly popular optical devices. For this product (EPON OLT PX20+ SFP 1.25G TX1490nm/RX1310nm) please refer to the following compatibility table. If you would like more information about compatibility, please feel free to contact us.

Compatible Brand Compatible Part Number Compatible Brand Compatible Part Number
GIGAOPTO GTS-SET11-20DCB WTD RTXM168-418
Alcatel-Lucent 3FE53606AA01 Hisense LTE4302M-BC+
Huawei 34060500 SuperXon SOEB4366-PSGB
ZTE 033030100161 Broadex D24355-SSCD
H3C SFP-GE-PX20-D-SM1490-M BDCOM OLT-GSFP-20+

Pin Definition

SC DDM SMF SFP Module EPON OLT PX20+ 1.25G TX1490nm RX1310nm 20km

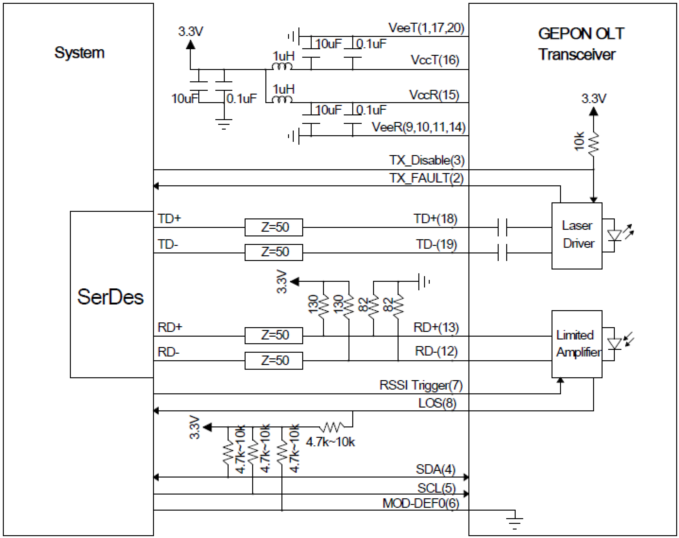
Typical Application Circuit

SC DDM SMF SFP Module EPON OLT PX20+ 1.25G TX1490nm RX1310nm 20km

Package Outline

Dimensions are in millimeters. All dimensions are ±0.1mm unless otherwise specified. (Unit: mm)

SC DDM SMF SFP Module EPON OLT PX20+ 1.25G TX1490nm RX1310nm 20km


Product Tags:

SC SMF SFP Module

      

1.25G SMF SFP Module

      

EPON OLT PX20+

      
Buy cheap SC DDM SMF SFP Module EPON OLT PX20+ 1.25G TX1490nm RX1310nm 20km product

SC DDM SMF SFP Module EPON OLT PX20+ 1.25G TX1490nm RX1310nm 20km Images

Inquiry Cart 0
Send your message to this supplier
 
*From:
*To: Shenzhen Gigaopto Technology Co., Ltd.
*Subject:
*Message:
Characters Remaining: (0/3000)