Sign In | Join Free | My wneducation.com
China Shenzhen Gigaopto Technology Co., Ltd. logo
Shenzhen Gigaopto Technology Co., Ltd.
Professional Designer and Manufacturer of Optical Transceivers
Verified Supplier

4 Years

Home > EPON SFP Module >

DDM SC SFP Transceiver Module EPON OLT PX20++ 1.25G PX30 TX1490nm RX1310nm 20km

Shenzhen Gigaopto Technology Co., Ltd.
Trust Seal
Verified Supplier
Credit Check
Supplier Assessment
Contact Now

DDM SC SFP Transceiver Module EPON OLT PX20++ 1.25G PX30 TX1490nm RX1310nm 20km

Brand Name : GIGAOPTO

Model Number : GTS-SET11-20DCC

Certification : CE, FCC, ROHS, ISO9001, ISO14000, MSDS, REACH, CP65, TUV, UL

Place of Origin : China

MOQ : 1 pcs

Price : Negotiable

Payment Terms : T/T, Western Union

Supply Ability : 50,000pcs / month

Delivery Time : 1-5 working days

Packaging Details : Single Package, 10 or 20pcs per Tray, 30 or 50 or 100pcs per box, 400 or 600pcs per carton

Product Name : EPON OLT SFP

Package : SFP

Data Transfer Rate : TX-1.25G/RX-1.25G

Centre Wavelength : TX1490nm/RX1310nm

Link Length : 20km

ODN Class : PX20++

Laser Type : DFB

Photo-detector : Burst APD

Keywords : SFP EPON OLT, GEPON SFP, PX20++ PX30 Module

Contact Now

GEPON OLT PX20++ PX30 SFP 1.25G TX1490nm/RX1310nm 20km SC SMF DDM Optical Transceiver Module

Description

The GIGAOPTO's GTS-SET11-20DCC SFP module supports data rate of typical 1.25Gbps for GEPON OLT application up to 20km transmission distance. It is designed for low-cost point to multipoint (P2MP) Fiber to the Home, Business or Curb (FTTX) systems. The device is based on the IEEE 802.3ah specification for bi-directional communications over a single fibre. The EPON OLT transceiver is packaged of small form factor pluggable with SC/UPC connector. The digital diagnostic monitoring function is fully compliant with SFP MSA.

Specification

Product Packaging EPON OLT SFP Data Link 1.25Gbps/1.25Gbps
Receptacle Connector SC/UPC Cable Length 20km
Digital Diagnostic Monitoring YES Fiber Mode Single Mode Fiber
Warranty 3 years Temperature Range

Standard -5 to 70°C

Industrial -40 to 85°C

Storage Humidity 5% - 90% Operating Humidity 5% - 85%
Storage Ambient Temperature -40 to 85°C Receiver Damaged Threshold > +4dBm
Wavelength TX1490nm/RX1310nm Power Supply Voltage 3.3V
Power Consumption <1.65W Icc 500mA
Optical Components DFB Receiver Type Burst APD
TX Optical Power +4 to +8dBm RX Sens. <-32dBm
Extinction Ratio >9dB Saturation >-6dBm
Protocols SFP MSA SFF-8074i, IEEE 802.3ah, RoHS6

Features

  • Compatible IEEE 802.3ah 1000BASE-PX20++ GEPON application
  • Single fiber transceiver with single mode SC/UPC receptacle
  • 1.25Gbps, 1490nm continuous mode DFB Transmitter
  • 1.25Gbps, 1310nm burst mode APD-TIA Receiver
  • Burst mode received signal strength indication (RSSI) output
  • Single 3.3V power supply
  • LVPECL compatible data input/output interface
  • LVTTL transmitter disable control
  • LVTTL transmitter laser fault alarm
  • Low EMI and excellent ESD protection
  • Digital Diagnostic Interface Compliant with SFF-8472
  • International Class 1 laser safety compliant
  • Case operating temperature range:
  • Commercial: -5°C~70°C; Industrial: -40°C~85°C

Application

  • EPON 20km OLT Side
  • Access Networks
  • FTTx

Standards

  • Complies with SFP Multi-Source Agreement (MSA) SFF-8074i
  • Complies with IEEE 802.3ah
  • Complies with FCC 47 CFR Part 15, Class B
  • Complies with FDA 21 CFR 1040.10 and 1040.11 except for deviations pursuant to Laser Notice No. 50, dated June 24, 2007
  • Complies with SFF-8472
  • Compatible with TR-NWT-000870 4.1 ESD sensitivity classification Class 2.
  • Compatible with Telcordia GR-468-CORE

Ordering Information

P/N Description Data Rate(Gb/s) Wavelength(nm) Class Conn. Tx/Rx Type Temp.
GTS-SET11-20DCB EPON OLT SFP Tx1.25/Rx1.25 Tx1490/Rx1310 PX20+ SC DFB/APD -5~70°C
GTS-SET11-20DIB EPON OLT SFP Tx1.25/Rx1.25 Tx1490/Rx1310 PX20+ SC DFB/APD -40~85°C
GTS-SET11-20DCC EPON OLT SFP Tx1.25/Rx1.25 Tx1490/Rx1310 PX20++ SC DFB/APD -5~70°C
GTS-SET11-20DIC EPON OLT SFP Tx1.25/Rx1.25 Tx1490/Rx1310 PX20++ SC DFB/APD -40~85°C
GTS-SET11-20DCD EPON OLT SFP Tx1.25/Rx1.25 Tx1490/Rx1310

PX20+++

7dBm

SC DFB/APD -5~70°C
GTS-SET11-20DID EPON OLT SFP Tx1.25/Rx1.25 Tx1490/Rx1310

PX20+++

7dBm

SC DFB/APD -40~85°C
GTS-SET11-20DCE EPON OLT SFP Tx1.25/Rx1.25 Tx1490/Rx1310 PX20+++ 9dBm SC DFB/APD -5~70°C
GTS-SET11-20DIE EPON OLT SFP Tx1.25/Rx1.25 Tx1490/Rx1310 PX20+++ 9dBm SC DFB/APD -40~85°C

Compatibility

As a global provider of Brand Compatible Networking products, we Gigaopto have made significant investments over the past few years to support our customers, as well as in our physical infrastructure and test equipment platforms. Our overall trusted engineering and testing capabilities allow us to produce a large selection of Brand Compatible Transceivers. This (EPON OLT PX20++ PX30 SFP 1.25G TX1490nm/RX1310nm) is 100% compatible with mainstream optical devices. Below is a table of P/N correspondence for different brand modules. For more information, please don't hesitate to contact us.

Compatible Brand Compatible Part Number Compatible Brand Compatible Part Number
GIGAOPTO GTS-SET11-20DCC Broadex D34355-SSCD
BDCOM OLT-GSFP-20++ Hisense LTE4302P-BC+
Huawei 34060842 SuperXon SOEB4366-PSGE

Pin Definition

DDM SC SFP Transceiver Module EPON OLT PX20++ 1.25G PX30 TX1490nm RX1310nm 20km

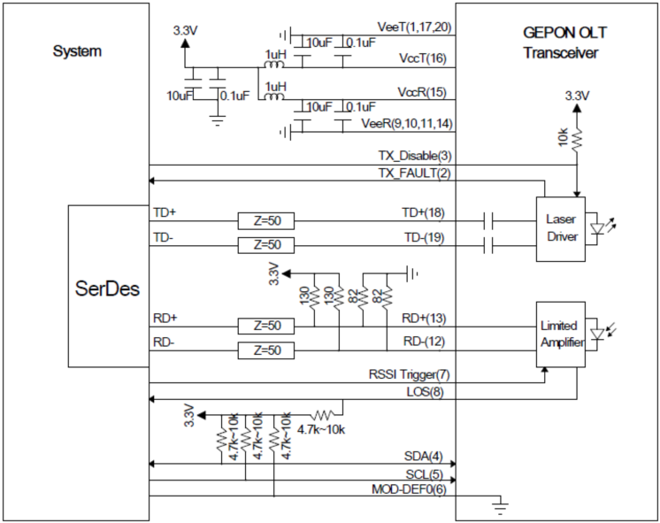
Typical Application Circuit

DDM SC SFP Transceiver Module EPON OLT PX20++ 1.25G PX30 TX1490nm RX1310nm 20km

Package Outline

Dimensions are in millimeters. All dimensions are ±0.2mm unless otherwise specified. (Unit: mm)

DDM SC SFP Transceiver Module EPON OLT PX20++ 1.25G PX30 TX1490nm RX1310nm 20km


Product Tags:

PX30 SC SFP Transceiver

      

1.25G SC SFP Transceiver

      

EPON OLT PX20++

      
Buy cheap DDM SC SFP Transceiver Module EPON OLT PX20++ 1.25G PX30 TX1490nm RX1310nm 20km product

DDM SC SFP Transceiver Module EPON OLT PX20++ 1.25G PX30 TX1490nm RX1310nm 20km Images

Inquiry Cart 0
Send your message to this supplier
 
*From:
*To: Shenzhen Gigaopto Technology Co., Ltd.
*Subject:
*Message:
Characters Remaining: (0/3000)